it系统和tt系统有什么区别
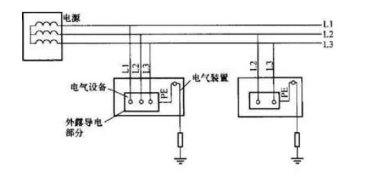
IT系统;变压器的低压侧中心点不接地或经过高阻抗接地,系统内所用受电设备的外露可以导电部分用保护接地(PEE)单独的接至接地极上。

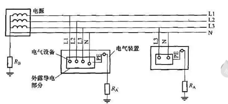
TT系统;目前国家电网的10Kv/0.4Kv变压器低压侧的中心点直接接地,供电系统内所有的受电设备的外露可以导电部分用保护接地线(PEE)接到电气上与电力系统的接地点无直接关联的接地上。

电力系统是由发电厂、送变电线路、供配电所和用电等环节组成的电能生产与消费系统。
以上就是it系统和tt系统有什么区别的全部内容,望能这篇it系统和tt系统有什么区别可以帮助您解决问题,能够解决大家的实际问题是非常好学习网一直努力的方向和目标。